COMBATING THE SKILLS GAP WITH AUTOMATED CNC PROGRAMMING

The skills gap and labor shortage have been a hot topic in manufacturing in recent years. The challenge of being unable to find skilled workers with the needed technical skills, knowledge, or expertise to fill these open positions is a significant problem. A 2021 study conducted by Deloitte and the Manufacturing Institue (MI) predicts that 2.1 million manufacturing jobs will go unfilled by 2030. Flex Machine Tools recognized that this was an issue industry-wide, so they developed FlexCare+, an automated CNC programming solution to help combat this issue. 

What is FlexCare+?

FlexCare+ is an on-demand CNC programming service designed to eliminate programming bottlenecks and maximize productivity. FlexCare+ helps FlexCNC customers increase their efficiency and eliminate any entry barriers to creating a machined part with a CNC machine.

How Does FlexCare+ Work?

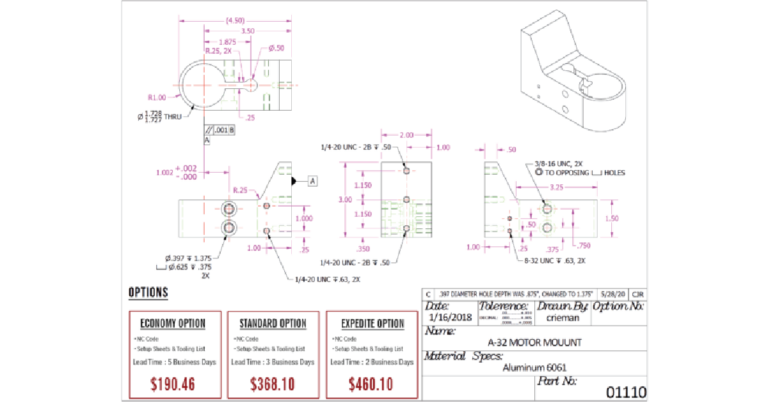
FlexCare+ utilizes an easy-to-use platform where you simply upload the design model(s) to the secure server, select the material, and provide basic contact information. The quote is sent via email and offers different pricing tiers based on the desired lead time. The user may choose expedited delivery (2 business days), standard delivery (3 business days), or an economy option (5 business days). After purchasing, the user will receive the NC code, a set-up sheet,

and the tooling list needed for their part within the selected delivery window. Additionally, the user will receive a quote for the tooling and workholding required to support the NC program, with the option to purchase. In some instances, a user may also be interested in purchasing precut material for the machined part. In this case, FlexCare+ will provide an additional quote for the precut material with the option to buy as well.

Benefits of FlexCare+

FlexCare+ is a one-stop-shop for the programming and set-up needs of current and future FlexCNC customers. This easy-to-use service reduces the production time of a machined part by offering trouble-free programming, faster cycle times, and programs optimized for the FlexCNC. So, whether you’re a business wanting to improve your production or you’re entirely new to CNC machining, FlexCare+ could benefit you.

The Labor Shortage and Skills Gap Impact

The labor shortage and skills gap affect more than just businesses themselves. For every dollar spent in manufacturing, another $2.74 is added to the economy. Using this multiplier, the unfilled jobs could bring a potential negative impact to the US economy of more than 1 trillion dollars by 2030. (The National Association of Manufacturers)

Businesses will need to find alternative solutions as the jobs continue to go unfilled. FlexCare+ looks to remedy this issue by providing a cost-effective, short-term, or long-term solution for FlexCNC customers needing to stay competitive in the manufacturing space. 

If you are struggling to recruit talented programmers or are entirely new to programming, automate your programming contact us today and see how the FlexCare+ team of expert programmers can help you and your business.